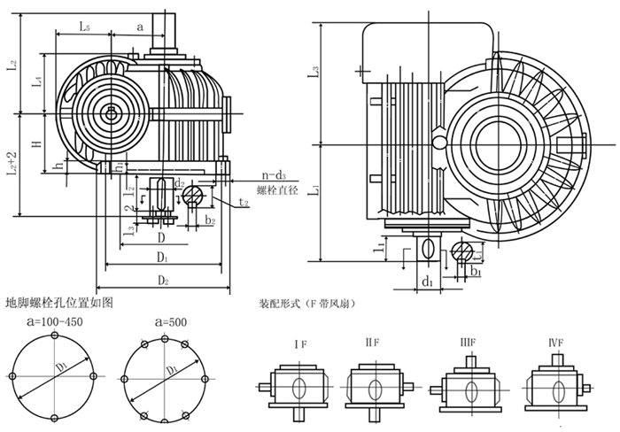
CW系列圓弧圓柱蝸桿減速機
 ![]()  | 
        
    
  
圓弧圓柱蝸桿減速機               型號\尺寸 | a  | B1  | B2  | B3  | B4  | C1  | C2  | C3  | D  | h  | h1  | i≤12.5  | ||||
d1  | I1  | b1  | t1  | L1  | ||||||||||||
63  | 63  | 155  | 245  | 140  | 105  | 125  | 90  | 125  | 190  | 23  | 5  | 19js6  | 28  | 6  | 21.5  | 128  | 
80  | 80  | 180  | 270  | 160  | 110  | 150  | 95  | 145  | 210  | 23  | 5  | 24js6  | 36  | 8  | 27  | 151  | 
100  | 100  | 220  | 325  | 200  | 125  | 190  | 110  | 185  | 240  | 23  | 5  | 28js6  | 42  | 8  | 31  | 182  | 
型號\尺寸  | i≥16  | d2  | I2  | b2  | t2  | L2  | L3  | L4  | H  | d3  | kg(不含油)  | ||||
d1  | I1  | b1  | t1  | L1  | |||||||||||
63  | 19js6  | 28  | 6  | 21.5  | 128  | 32k6  | 58  | 10  | 35  | 135  | 97  | 70  | 75  | M12  | 19  | 
80  | 24js6  | 36  | 8  | 27  | 151  | 38k6  | 58  | 10  | 41  | 143  | 110  | 81  | 80  | M12  | 28  | 
100  | 24js6  | 36  | 8  | 27  | 176  | 42k6  | 82  | 12  | 45  | 182  | 130  | 95  | 95  | M12  | 42.5  | 

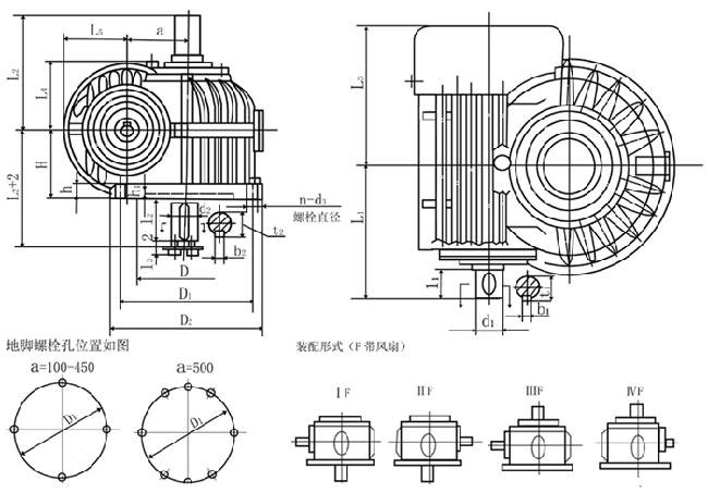
圓弧圓柱蝸桿減速機 
             型號\尺寸 | a  | D  | D1  | D2  | L3  | L4  | L5  | h  | h1  | H  | i≤12.5  | ||||
d1  | I1  | b1  | t1  | L1  | |||||||||||
125  | 125  | 230  | 280  | 320  | 202  | 134  | 125  | 32  | 8  | 132  | 32k6  | 58  | 10  | 35  | 218  | 
160  | 160  | 300  | 360  | 400  | 245  | 157  | 142  | 32  | 8  | 160  | 42k6  | 82  | 12  | 45  | 277  | 
200  | 200  | 370  | 435  | 480  | 295  | 181  | 180  | 38  | 8  | 190  | 48k6  | 82  | 14  | 51.5  | 324  | 
250  | 250  | 470  | 540  | 600  | 360  | 210  | 210  | 40  | 8  | 212  | 55k6  | 82  | 16  | 59  | 380  | 
280  | 280  | 550  | 640  | 700  | 390  | 226  | 215  | 45  | 8  | 225  | 60m6  | 105  | 18  | 64  | 430  | 
315  | 315  | 605  | 700  | 760  | 430  | 243  | 235  | 50  | 10  | 250  | 65m6  | 105  | 18  | 69  | 470  | 
355  | 355  | 700  | 805  | 880  | 480  | 256  | 235  | 55  | 10  | 265  | 70m6  | 105  | 20  | 74.5  | 515  | 
400  | 400  | 765  | 875  | 950  | 515  | 278  | 247  | 60  | 10  | 265  | 75m6  | 105  | 20  | 79.5  | 545  | 
450  | 450  | 875  | 990  | 1070  | 565  | 300  | 275  | 65  | 10  | 315  | 80m6  | 130  | 22  | 85  | 625  | 
500  | 500  | 1000  | 1100  | 1180  | 655  | 344  | 300  | 75  | 10  | 375  | 90m6  | 130  | 25  | 95  | 680  | 
型號\尺寸  | i≥16  | d2  | I2  | b2  | t2  | L2  | I3  | 地腳螺栓  | kg(不含油)  | ||||||
d1  | I1  | b1  | t1  | L1  | d3  | n  | |||||||||
125  | 28js6  | 42  | 8  | 31  | 202  | 55k6  | 82  | 16  | 59  | 222  | 14  | M12  | 4  | 95  | |
160  | 32k6  | 58  | 10  | 35  | 253  | 65m6  | 105  | 18  | 69  | 270  | 15  | M16  | 4  | 150  | |
200  | 38k6  | 58  | 10  | 41  | 300  | 80m6  | 130  | 22  | 85  | 325  | 17  | M16  | 4  | 270  | |
250  | 42k6  | 82  | 12  | 45  | 380  | 100m6  | 165  | 28  | 106  | 385  | 17  | M20  | 4  | 410  | |
280  | 48k6  | 82  | 14  | 51.5  | 407  | 110m6  | 165  | 28  | 116  | 405  | 17  | M24  | 4  | 550  | |
315  | 48k6  | 82  | 14  | 51.5  | 447  | 120m6  | 165  | 32  | 127  | 420  | 17  | M24  | 4  | 750  | |
355  | 55k6  | 82  | 16  | 59  | 492  | 130m6  | 200  | 32  | 137  | 470  | 17  | M30  | 4  | 930  | |
400  | 60m6  | 105  | 18  | 64  | 545  | 150m6  | 200  | 36  | 158  | 490  | 24  | M30  | 4  | 1200  | |
450  | 65m6  | 105  | 18  | 69  | 600  | 170m6  | 240  | 40  | 179  | 560  | 24  | M36  | 4  | 1650  | |
500  | 70m6  | 105  | 20  | 74.5  | 655  | 190m6  | 280  | 45  | 200  | 640  | 24  | M30  | 6  | 2190  | |